购物车
意见反馈
400-606-9826
13671999552
用户中心
网站首页
公司简介
产品中心
绿茶
白茶
红茶
乌龙茶
花草茶
尊贵礼盒
茶业百科
茶艺茶道
制茶标准
品茶心得
细说茶叶
茶余饭后
新闻动态
行业新闻
企业动态
线上商城
联系我们
团购
热门推荐
2022年开年惊喜!我们....
女性喝茶时的“大忌”是什....
为何北京人偏偏对茉莉花茶....
雅,才是中国人的美学
泡茶时适合穿什么衣服?
最新发表
代用茶
调味茶
乌龙茶(岩茶)
莓茶
Q/NCP 0001S ....
相关资讯
乌龙茶(岩茶)
莓茶
Q/NCP 0001S ....
代用茶
资讯动态
网站首页
>
新闻动态
>
茶叶百科
>
制茶标准
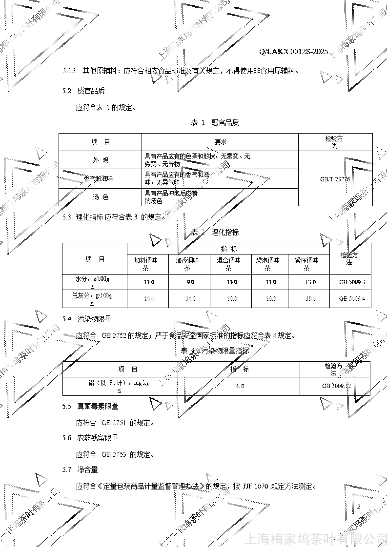
调味茶
作者:Admin
日期:2025-10-10
点击:
348
一键分享
下一条:
乌龙茶(岩茶)
发表评论
查看评论
文明上网理性发言,请遵守评论服务协议。
首页
上一页
下一页
尾页